Nous rejoindre:

Email

telephone kacem electronic

SUPPORT EN LIGNE

(+216) 74 488 035 (+216) 74 488 036

Transformateurs Triphasés d'alimentation

Caractéristiques techniques

  • Transformateur électrique triphasé de séparation
  • Imprégnation classe H avec vernis et séchage au four
  • Isolement classe F
  • Degré de protection : IP00
  • Température ambiante maximale de fonctionnement : 45 °C
  • Les transformateurs d’alimentation sont disponibles sur mesure pour répondre à des contraintes spécifiques de chantiers
  • Fabriqué selon la norme : IEC 61558-1; IEC 1558-2-4;IEC 61558-2-6; et IEC 61558-2-15

N.B : Sur demande, il est possible d’ajouter un écran électrostatique entre le primaire et le secondaire branché à une borne de mise à la terre

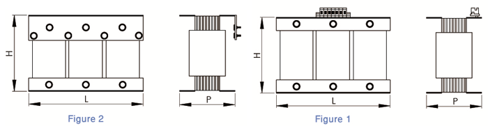
Tableau de performance

Puissance (VA) Perte (W) Figure Poids (kg) Dimensions (mm)
L P H
50 8 1 1.8 120 70 110
100 15 1 3.4 140 75 135
200 23 1 5.2 140 90 135
300 31 1 6.2 180 90 160
400 39 1 7.7 180 100 160
500 46 1 9.4 180 110 160
1000 72 1 12.5 180 120 160
1500 105 1 18.3 240 130 250
2000 127 1 21.8 240 140 250
2500 164 1 28.2 300 134 250
3000 183 1 32.7 300 144 260
4000 216 1-2 38.9 300 154 260
5000 251 1-2 44.1 300 164 260
6000 255 1-2 48 360 170 310
8000 315 1-2 56.2 360 180 310
10000 365 1-2 64.4 360 190 310
12000 405 1-2 72.2 360 200 310
15000 515 1-2 81.2 420 200 360
18000 585 1-2 91.8 420 210 360
20000 595 1-2 106.2 420 230 360
25000 750 1-2 126.2 480 212 310
30000 833 2 141.2 480 222 410
40000 1097 2 188.2 540 280 460
DMC Firewall is developed by Dean Marshall Consultancy Ltd