TECHNICAL CHARACTERISTICS
- Electrical three-phases transformer for separation
- Varnish immersion group H and oven drying
- Insulation group F
- Protection degree: IP00
- Maximal ambient operating temperature: 45 °C
- Supply transformers are available to satisfy specific requirements
- Safety Standards: IEC 61558-1; IEC 61558-2-4, IEC 61558-2-6 and IEC 61558-2-15*
N.B : (*) On request, it is possible to add electrostatic shields between the input and the output
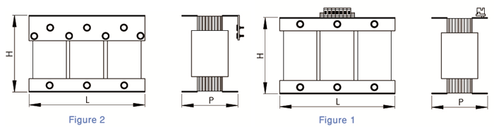
Tableau de performance
| Power (VA) | Loss (W) | Figure | Weight (kg) | Dimensions (mm) | ||
|---|---|---|---|---|---|---|
| L | P | H | ||||
| 50 | 8 | 1 | 1.8 | 120 | 70 | 110 |
| 100 | 15 | 1 | 3.4 | 140 | 75 | 135 |
| 200 | 23 | 1 | 5.2 | 140 | 90 | 135 |
| 300 | 31 | 1 | 6.2 | 180 | 90 | 160 |
| 400 | 39 | 1 | 7.7 | 180 | 100 | 160 |
| 500 | 46 | 1 | 9.4 | 180 | 110 | 160 |
| 1000 | 72 | 1 | 12.5 | 180 | 120 | 160 |
| 1500 | 105 | 1 | 18.3 | 240 | 130 | 250 |
| 2000 | 127 | 1 | 21.8 | 240 | 140 | 250 |
| 2500 | 164 | 1 | 28.2 | 300 | 134 | 250 |
| 3000 | 183 | 1 | 32.7 | 300 | 144 | 260 |
| 4000 | 216 | 1-2 | 38.9 | 300 | 154 | 260 |
| 5000 | 251 | 1-2 | 44.1 | 300 | 164 | 260 |
| 6000 | 255 | 1-2 | 48 | 360 | 170 | 310 |
| 8000 | 315 | 1-2 | 56.2 | 360 | 180 | 310 |
| 10000 | 365 | 1-2 | 64.4 | 360 | 190 | 310 |
| 12000 | 405 | 1-2 | 72.2 | 360 | 200 | 310 |
| 15000 | 515 | 1-2 | 81.2 | 420 | 200 | 360 |
| 18000 | 585 | 1-2 | 91.8 | 420 | 210 | 360 |
| 20000 | 595 | 1-2 | 106.2 | 420 | 230 | 360 |
| 25000 | 750 | 1-2 | 126.2 | 480 | 212 | 310 |
| 30000 | 833 | 2 | 141.2 | 480 | 222 | 410 |
| 40000 | 1097 | 2 | 188.2 | 540 | 280 | 460 |